Air Synth

Simplifying music creation through motion

About Air Synth

Air Synth is a motion-controlled music synthesizer that uses IMU sensors to transform hand movements into musical expressions.

Built on Raspberry Pi with real-time processing capabilities, it offers intuitive music creation for musicians and enthusiasts alike.

View on GitHub Learn More

Features

Realtime Synthesis

Low-latency audio processing designed for live performance and immediate feedback.

Gesture Control

Advanced motion detection using MPU6050 sensors to translate physical movements into musical parameters.

Multiple Sound Modes

Switch between different synthesizer modes including discrete notes, continuous control, percussion, and more.

Optimized C++ Performance

Built with performance-critical C++ code to ensure real-time processing on Raspberry Pi hardware.

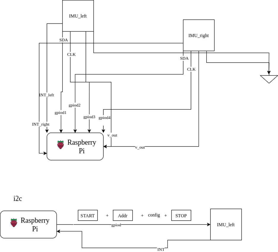
Hardware Setup

Hardware connection diagram

Components:

  • Raspberry Pi 5
  • MPU6050 sensors (IMU_left and IMU_right)
  • I2C communication
  • Audio output hardware

Software

Libraries:

Sequence diagram

Sequence diagram

Class diagram

Class diagram

Documentation

Check out our detailed wiki to learn how to build and use your own Air Synth.